PND-130-92-P
PND-130-92-P系列参数介绍
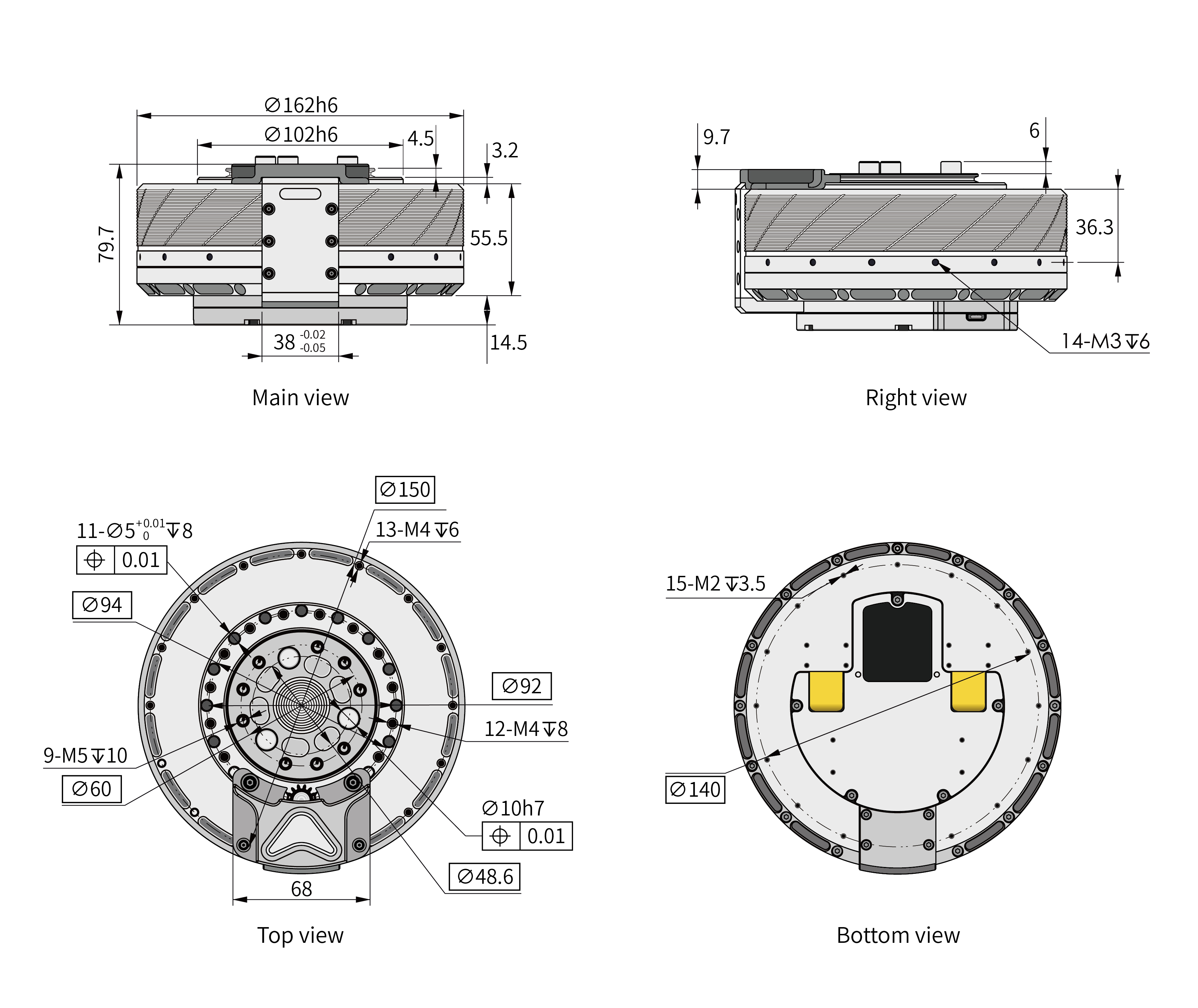
工程图

基本参数表(电机输出端)
| 电机参数 | 值 | 执行器参数 | 值 |
|---|---|---|---|
| 电机类型 | 无刷伺服电机 | 额定母线电压 | 46.5V DC |
| 额定机械输出功率 | 1257W | 额定相电流 | 56.3A |
| 额定转速 | 840rpm | 峰值相电流 | 169A |
| 空载转速 | 1500rpm | 电机编码器分辨率 | 4000 Step/turn |
| 额定转矩 | 14.28N·m | 通信连接器 | Type-C |
| 峰值转矩 | 42.84N·m | 电源连接器 | XT60 |
| 转矩常数 | 0.254N·m/A | 通信协议 | PND-Network |
| 转动惯量 | \(2.74×10^{-3} kg·m^2\) | 工作电压范围 | 12~48V DC |
备注
此数据为理论值
执行器参数表(执行器输出端)
| 型号 | 减速比 | 额定转矩/N·m | 最大转矩/N·m | 额定转速/RPM | 最大转速/RPM | 转矩常数 N·m/A | 重量/kg | 额定输出机械功率/W | 最大输出机械功率/W |
|---|---|---|---|---|---|---|---|---|---|
| PND-130-92-7-P | 7 | 113 | 340 | 115 | 180 | 1.6 | 4 | 1102.6 | / |
接口定义
| Name | Specs |
|---|---|
| 物理层 | 10/100Mbps以太网或2.4GHz Wi-Fi |
| 传输层协议 | UDP |
| 通信端口 | (realtime) 2333 |
| 通信端口 | (service) 2334 |
| IP获取方式 | DHCP/Static IP |
| 应用层协议 | 自定义JSON |
电源接口为XT60

通信复合Type—C引脚定义
备注
Type-C接口为特殊自定义接口,非标准Type-C接口
| 序号 | 接口说明 | |
|---|---|---|
| 连接器T2、T3 | B2 | 10/100Mbps以太网发送差分信号TX+ |
| B3 | 10/100Mbps以太网发送差分信号TX- | |
| B10 | 10/100Mbps以太网接收差分信号RX- | |
| B11 | 10/100Mbps以太网接收差分信号RX+ |

| 序号 | 接口说明 | |
|---|---|---|
| 连接器T1 | A1 A12 B1 B12 | GND |
| A4 A9 B4 B9 | 5V | |
| A6 B6 | USB差分信号D+,内部接USB转串口芯片 | |
| A7 B7 | USB差分信号D-,内部接USB转串口芯片 | |
| A2 | 10/100Mbps以太网发送差分信号TX+ | |
| A3 | 10/100Mbps以太网发送差分信号TX- | |
| B10 | 10/100Mbps以太网发送差分信号RX- | |
| B11 | 10/100Mbps以太网发送差分信号RX+ |
3D模型
性能曲线